Purpose of the flight and payload description

The objective of the flight was to measure the ionospheric electric field an X-Ray fluxes in the region of the Brazilian Magnetic Anomaly, as part of the research activities of the Geomagnetism Program of the Astrophysics Department of INPE.

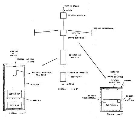
In the scheme at left we can see the distribution of instruments in the flight train (click to enlarge). The X-ray detector consisted of a sodium iodide scintillator activated with thallium, with a diameter of 3 inches and a thickness of 1/2 inch, directly coupled to an RCA 8054 photomultiplier. The pulses were analyzed in three energy bands: 30-50 KeV, 50-100 KeV, and 100-150 KeV. The X-ray photons, interacting with the crystal, release electrons, which, by ionizing the medium itself, emit light that is detected by the photomultiplier. These pulses, analyzed in the three energy intervals, were sent directly to the Telemetry Station of the Balloon Launch Center at INPE in São José dos Campos to be recorded and later analyzed.

The sensor for measuring the electric field consisted of four capacitors, separated diametrically by 4 meters, with a sensitivity to measure 0.3 millivolts per meter of electric field. The pulses, directly collected by a PCM encoder, were transmitted to the Telemetry Station in FM/FM.

Both detectors, with parachutes, remote control, onboard telemetry system, and flight equipment, weighed 160 kg.

Details of the balloon flight

Balloon launched on: 4/14/1981 at 05:48 utc
Launch site: National Institute of Space Research, Sao Jose dos Campos, Sao Paulo, Brazil  
Balloon launched by: Instituto Nacional de Pesquisas Espaciais (INPE)
Balloon manufacturer/size/composition: Zero Pressure Balloon model 2PRP25 87.000 m3
End of flight (L for landing time, W for last contact, otherwise termination time): 4/14/1981 at 10:04 utc
Balloon flight duration (F: time at float only, otherwise total flight time in d:days / h:hours or m:minutes - ): 5 h
Landing site: In Serra do Mar forest near Caraguatatuba, Sao Paulo, Brazil
Payload weight: 86 kgs
Overall weight: 160 kgs

The balloon a Zodiac 25PRP25 with 87,000 cubic meters, manufactured in France was launched on April 14, 1981, from the soccer field at INPE in São José dos Campos using the inverted pendulum technique and an auxiliary balloon (see Photo at right). The main balloon contained 700 cubic meters of hydrogen, while the auxiliary balloon had 200 cubic meters. It was launched on a cold early morning at 02:30 hours, rising to 37 km in altitude and remaining there until 06:30 hours, in the vertical of São José dos Campos.

After heating from the sun, the balloon rose to 39 km and moved in the direction of Caraguatatuba at a speed of 30 km/h. To prevent the experiment from falling into the sea, the separation of the flight payload was carried out at 07:00 hours, in the vertical of Caraguatatuba. As predicted, the winds in the lower layers moved the experiment towards the highlands of Serra do Mar, near the road leading to Natividade da Serra. A helicopter from the Brazilian Air Force located the scientific material. The launch team made several attempts to reach the site, but due to the dense forest, it was not possible. A new request was made to the Air Force for assistance in recovering the material. Finally, on May 14 of the same year, a joint effort between the Air Force and INPE technicians successfully recovered all the material, which was found in good condition.

Preliminary analysis of the X-ray measurements indicated a very intense flux due to the magnetic disturbances that occurred that day. The electric field, which on average in the region is around 1 millivolt per meter, showed significant fluctuations, indicating that the Brazilian Magnetic Anomaly is highly sensitive to electromagnetic interaction. This is due to the high flux of energetic electrons that, during periods of magnetic disturbances, penetrate the lower atmosphere, causing an intense flux of X-rays and variations in the ionospheric electric field.

External references

Images of the mission

Inflation of the alloon at the soccer field in Sao Jose dos Campos INPE station (source: INPE)        

If you consider this website interesting or useful, you can help me to keep it up and running with a small donation to cover the operational costs. Just the equivalent of the price of a cup of coffee helps a lot.



1834